Сохраните в закладки:
*История изменения цены! Указанная стоимость возможно, уже изменилось. Проверить текущую цену - >
| Месяц | Минимальная цена | Макс. стоимость | Цена |
|---|---|---|---|
| Feb-22-2026 | 34035.83 руб. | 34716.30 руб. | 34375.5 руб. |
| Jan-22-2026 | 27603.41 руб. | 28155.79 руб. | 27879 руб. |
| Dec-22-2025 | 33499.30 руб. | 34169.49 руб. | 33834 руб. |
| Nov-22-2025 | 33231.2 руб. | 33896.96 руб. | 33563.5 руб. |
| Oct-22-2025 | 26531.84 руб. | 27062.73 руб. | 26796.5 руб. |
| Sep-22-2025 | 32695.32 руб. | 33349.43 руб. | 33022 руб. |
| Aug-22-2025 | 32427.69 руб. | 33076.38 руб. | 32751.5 руб. |
| Jul-22-2025 | 32159.96 руб. | 32802.16 руб. | 32480.5 руб. |
Новые товары
Характеристики
Описание товара
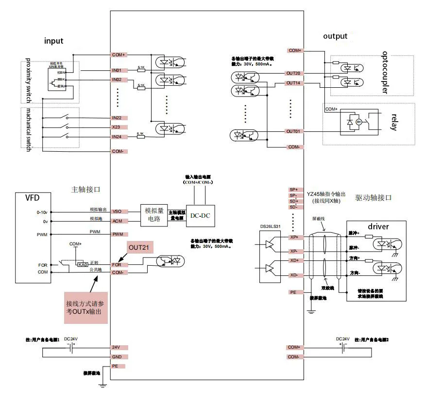
Автономный контроллер DDCS-EXPERT 3/4/5 оси 1Mkhz поддержка шагового/двойного y-оси/ATC Замена DDCSV3.1 M350 NEWCARVE
Введение:
Система DDCS-EXPERT является профессиональным 3-5 оси motion контроллер на основе Платформа со встроенной. Оборудована кухонным гарнитуром с диагональю 7 дюймов полный цветной экран, полноценная клавиатура вход переменного тока, и настраиваемых функциональных клавиш для того, чтобы сделать пользователей операции более удобными. Он поддерживает многофункциональный, прямой журнал инструментов, Круглый дисковый накопитель, функция журнала инструментов. Интерфейс и структура используют основной метод на рынке, с простой работой, легко научиться и понять, и удобная установка. В системе используется усовершенствованный алгоритм адаптивного контроля скорости вперед, который имеет характеристики высокой эффективности обработки и хорошего качества поверхности. Удовлетворить потребности различных гравировальных машин, гравировальных и фрезерных машин, резки
Особенности
* Макс. 5 осей; 2-4 оси линейной интерполяции, любые 2 оси круговой интерполяции;
* 7 дюймовый полноцветный светодиодный дисплей экран, разрешение экрана: 1024*600,40 работа клавиш
* 24 фотоэлектрических изолированных цифровых входа, 21 фотоэлектрический изолированный цифровой выход
* Аналоговое управление шпинделя 0-10 в управление шпинделя, поддержка PWM выход
* Тип журнала: многофункциональный, прямой инструментальный журнал и дисковый журнал
* Режим зонда: Поддержка автоматического зонда и ручного зонда
* Датчик фиксированного положения датчика инструмента, датчик плавающего инструмента, первый зонд/второй зонд;
* Методы компенсации люфта: Компенсация зазора направления, компенсация зазора радиуса, компенсация длины;
* Алгоритм интерполяции: S Тип, круговой жесткий алгоритм, круговой мягкий алгоритм;
* Язык: китайский, английский;
* Программная Сигнализация: ошибка программы, ошибка работы, ошибка при переходе, ошибка драйвера и т. д.
* Сеть: Поддержка обмена файлами и онлайн-обработки удаленных файлов
* Дифференциальный выход для импульсного и направленного сигнала, Макс. Интерполяция импульсной выходной частоты 1 МГц
* Режим управления шпинделем, Mul-speed (4 линии 16 видов скорости), серво шпиндель
* Совместимость со стандартным g-кодом, поддержка популярного программного обеспечения CAD/CAM, такого как ArtCam, MasterCam, ProE, JDSoft SurfMill, Aspire, Fusion 360 и так далее.
* Система управления может просмотреть путь обработки перед обработкой, и это делает систему более устойчивой, работающей гладкой и точной
* Поддерживает высокоскоростную обработку в непрерывном сегменте полилиний, система может автоматически выбирать наиболее эффективный алгоритм из разных типов алгоритмов сегментов полилинии;
* Поддержка файлов неограниченного размера для обработки
* Поддержка точки останова, восстановление «Power Cut», попробуйте вырезать, начните с ближайшей точки, начните с определенной линии
* Поддержка функции блокировки времени;
* Поддержка 4 видов прав на операции: посетитель, оператор, admin, super admin
Совершенно случайно наткнулась на этот интернет магазин при поиске куртки в интернете. Очень понравился, огромный выбор товаров, цены очень приятные,... Читать отзыв полностью...
Для работы нужен был штангенциркуль. Взял себе цифровой, а то надоело возиться с аналоговым и напрягать постоянно зрение. Здесь всё... Читать отзыв полностью...
Купила по цене распродажи, потому что этот набор бы без оригинальной коробки. Ну ничего, все равно будем упаковывать в праздничную... Читать отзыв полностью...
Я купила себе недавно эти часики, и вообще нарадоваться не могу) Они довольно-таки красивые. этого не отнять! Да и к... Читать отзыв полностью...
Покупаю не первый раз дочке для садика в этом интернет-магазине хлопковые платья. Очень удобные и красивые, огромные выбор расцветок на... Читать отзыв полностью...
В моей Митсубиси сломался старый подлокотник, так что искал новый. И эта модель мне подошла прям идеально! Заказал - всё... Читать отзыв полностью...











Недавно получила это замечательно платье для своей доченьки и была приятно удавлена.Качество оказалось на уровне, материал приятный к телу,что немаловажно.По... Читать отзыв полностью...